| Sign In | Join Free | My chinabagsnet.com | 
 | 
Brand Name : ZR Hi-tech
Model Number : LT-PD-2S-080124
Place of Origin : CHINA
MOQ : 1
Payment Terms : D/A,D/P,T/T
Delivery Time : 4 weeks
Packaging Details : carton packing
8.0 to 12.4 GHz 2-Way Power Divider
Quick Detail:
· 2-Way Power Divider
· Stripline Design
· -55℃~+85℃ operating temperature
· 8.0 to 12.4 GHz Frequency Range
· Max Power 20 Watt
· Insertion Loss < 0.5 dB
· Isolation > 20 dB
· CE, RoHS, REACH compliant
· 1 Year Warranty
Description:
The LT-PD-2S-080124 from ZR is a 2-way power divider that operates from 8.0 to 12.4 GHz and can handle up to 20 Watt (CW) with 0.5 dB max insertion loss and 20 dB min isolation,The package interface uses SMA-Female connectors and is REACH and RoHS compliant.More details for LT-PD-2S-080124 can be seen below.
Specifications:
Electrical / Optical Characteristics (Ta=25℃±3℃)
| Items | Specification | Conditions | 
| Part Number | LT-PD-2S-080124 | 
 | 
| Frequency Range | 2.0 to 2.5 GHz | 
 | 
| Impedance | 50 Ohms | 
 | 
| Input VSWR | 1.35:1 Max. | 
 | 
| Output VSWR | 1.3:1 Max. | 
 | 
| Insertion Loss | 0.5 dB Max. | Excluding Nominal Splitter Loss 3.0dB | 
| Isolation | 20 dB Min. | 
 | 
| Amplitude Balance | 0.4 dB Max. | 
 | 
| Phase Balance | 6 Degrees Max. | 
 | 
| Input Power | 20 kW | 
 | 
| Connectors | SMA-Female | 
 | 
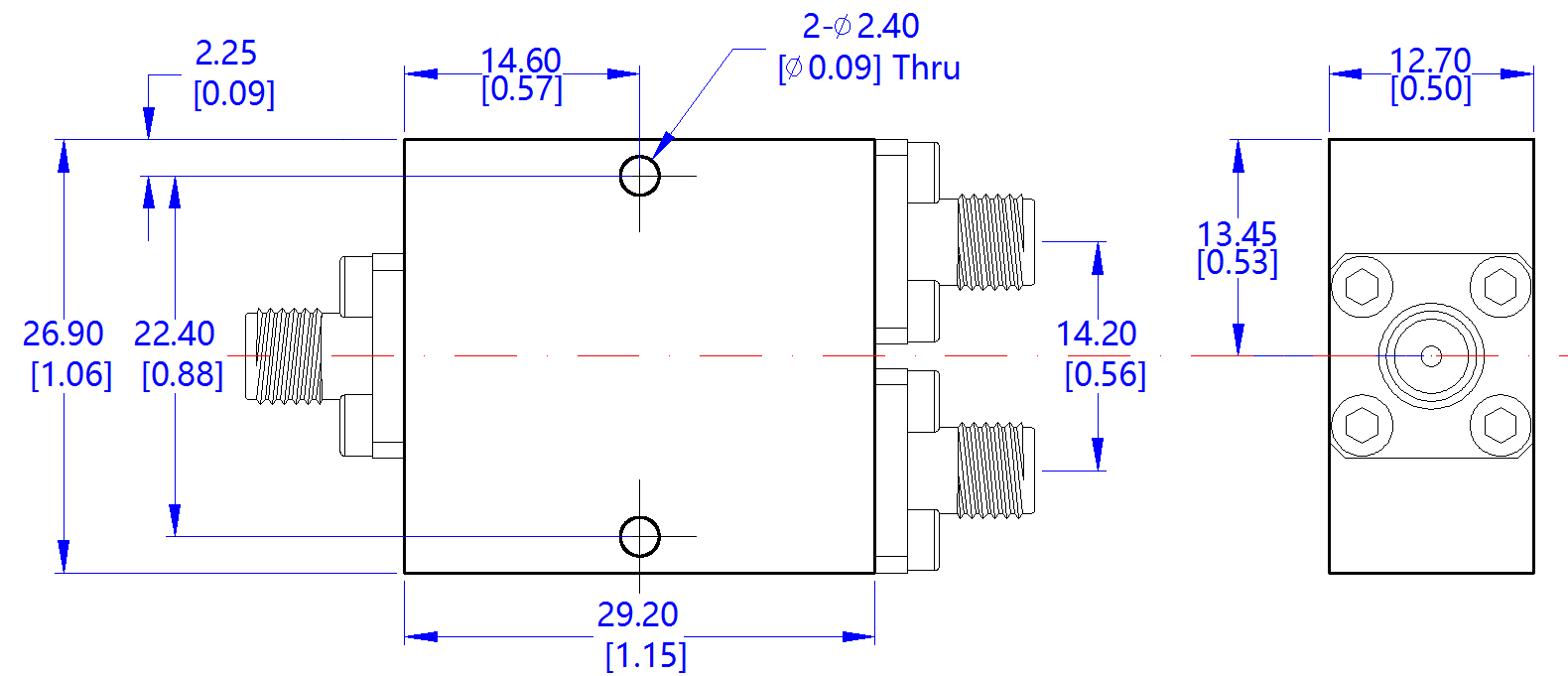
| Dimension | 29.2x26.9x12.7 mm | 
 | 
| Note: for custom specs, please contact us directly. | ||
Outline Drawing (Unit: mm):
 
 
|   | 
| 8.0 to 12.4 GHz 20 Watt LT-PD Series 2-Way Power Divider Images | 
 2 to 6 GHz 10 Watt LT-PD Series 2-Way Power Divider
                                                                                    
                        
                        
                        
                                                            2 to 6 GHz 10 Watt LT-PD Series 2-Way Power Divider
                                                    
                        
                     0.5 to 4 GHz 20 Watt LT-PD Series 2-Way Power Divider
                                                                                    
                        
                        
                        
                                                            0.5 to 4 GHz 20 Watt LT-PD Series 2-Way Power Divider
                                                    
                        
                     7 to 8 GHz 10 Watt LT-PD Series 2-Way Power Divider
                                                                                    
                        
                        
                        
                                                            7 to 8 GHz 10 Watt LT-PD Series 2-Way Power Divider
                                                    
                        
                     0.6 to 6 GHz 20 Watt LT-PD Series 4-Way Power Divider
                                                                                    
                        
                        
                        
                                                            0.6 to 6 GHz 20 Watt LT-PD Series 4-Way Power Divider
                                                    
                        
                     1 to 2 GHz 20 Watt LT-PD Series 2-Way Power Divider
                                                                                    
                        
                        
                        
                                                            1 to 2 GHz 20 Watt LT-PD Series 2-Way Power Divider
                                                    
                        
                     2.3 to 3.5 GHz 30 Watt LT-PD Series 16-way Power Divider
                                                                                    
                        
                        
                        
                                                            2.3 to 3.5 GHz 30 Watt LT-PD Series 16-way Power Divider
                                                    
                        
                     4 to 8 GHz 20 Watt LT-PD Series 2-Way Power Divider
                                                                                    
                        
                        
                        
                                                            4 to 8 GHz 20 Watt LT-PD Series 2-Way Power Divider
                                                    
                        
                     1.9 to 2.4 GHz 10 Watt LT-PD Series 2-Way Power Divider
                                                                                    
                        
                        
                        
                                                            1.9 to 2.4 GHz 10 Watt LT-PD Series 2-Way Power Divider
                                                    
                        
                     2 to 20 GHz 20 Watt LT-PD Series 2-Way Power Divider
                                                                                    
                        
                        
                        
                                                            2 to 20 GHz 20 Watt LT-PD Series 2-Way Power Divider
                                                    
                        
                     7.95 to 8.55 GHz 10 Watt LT-PD Series 2-Way Power Divider
                                                                                    
                        
                        
                        
                                                            7.95 to 8.55 GHz 10 Watt LT-PD Series 2-Way Power Divider