| Sign In | Join Free | My chinabagsnet.com |
|
Brand Name : ZR Hi-Tech
Model Number : LT-CR-TC-20M-7050
Place of Origin : CHINA
MOQ : 1
Payment Terms : T/T
Delivery Time : 4 weeks
Packaging Details : carton packing
Product name : LT-CR series temperature-compensated crystal oscillator
Application : Satellite communication, military communication equipment, base station, test and measurement equipment
Features : Three-stage bell temperature crystal oscillator, optional three-state control function, high precision, low phase noise, There are anti-overload products for choice, anti-overload > 30000g
Material : Aluminum
Temperature : ±0.1ppm@-40~85℃, ±0.2ppm@-40~105℃
Frequency range : 10MHz~50MHz
Voltage : 2.8V~5V
Color : Silver
10MHz~50MHz LT-CR series temperature-compensated voltage controlled crystal oscillator
Quick Detail:
· Aluminum Housing
· 2.8 to 5V VDD options
· -40℃~105℃ operating temperature
· Small Package
· High Precision
· Low Phase Noise
· Optional three-state control function
· CE, RoHS, REACH compliant
· 1 Year Warranty
Description:
The LT-CR-TC-20M-7050 is the newest addition to ZR’s line of TCXOs. The standard part offers an ultra-tight stability of ±0.1ppm@-40~85℃,±0.2ppm@-40~105℃ across a supply voltage range of 2.8V to 5V. The LT-CR uses a high refresh rate, or frequency calibration rate, to maintain a linear frequency output during temperature compensation. The 7.0×5.0×1.9 mm package make these components ideal for the satellite communications, military communication equipment, base stations, test and measurement equipment and other fields.
Specifications:
Electrical / Optical Characteristics (Ta=25℃±3℃)
| Items | Specification | Conditions |
| Part Number | LT-CR-TC-20M-7050 | |
| Frequency Range | 20M,10MHz~50MHz | |
| Operating voltage | 2.8V~5V | |
| Working temperature range | -40℃~105℃ | |
| Frequency Stability vs. Temperature | ±0.1ppm@-40~85℃,±0.2ppm@-40~105℃ | Frequency relative to 25℃ |
| Initial accuracy of reference temperature | ±2ppm | @25℃±1℃ |
| Output Waveform | C:CMOS X:cut peak sine wave | |
| Static phase noise | -150dBc/Hz@1kHz | Typical value of 20M products |
| Vibration phase noise | -115dBc/Hz@1kHz | Typical value of 20M products GJB360B-2009 method 214I-B |
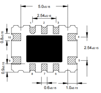
| Dimension | 7.0×5.0×1.9mm | |
| Note: For specifications beyond the above table, please contact us for customization. | ||
Outline Drawing (Unit: mm):



|
|
40mhz 25 Mhz 27mhz Crystek Tcxo Oscillators 2.8V 5V Images |